Печь камин Contura 310G
e675c06a39d4

Доставка
Варианты оплаты
Уже 15 лет для Вас
Очаг — Магазин каминов №1
Лучшие цены
Бесплатный профессиональный замер
Прозрачные сметы
Ясные сроки
Комфорт оплаты
Понимаем любой бюджет
Удобное вам время
Приоритет — безопасность
Примеры работ #Степан_Знает
Видео обзоры
Описание
Характеристики
Общие
Производитель:
Страна-производитель:
Швеция
Цвет:
Чёрный
Гарантия:
5 лет
Материал отделки:
Материал топки:
Производительность
Использование для отопления:
КПД:
75%
Мощность:
7 кВт
Объем отопления:
175 м³
Площадь отопления:
70 м²
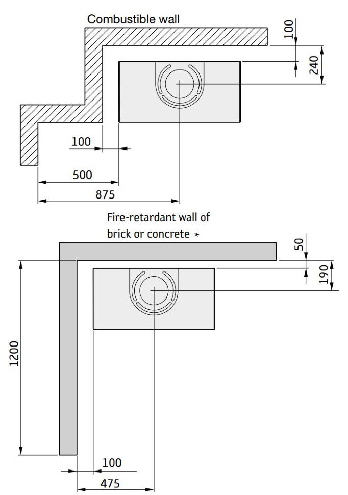
Размеры
Диаметр дымохода:
150 мм
Общая высота:
850 мм
Общая глубина:
375 мм
Общая ширина:
750 мм
Общий вес:
130 кг