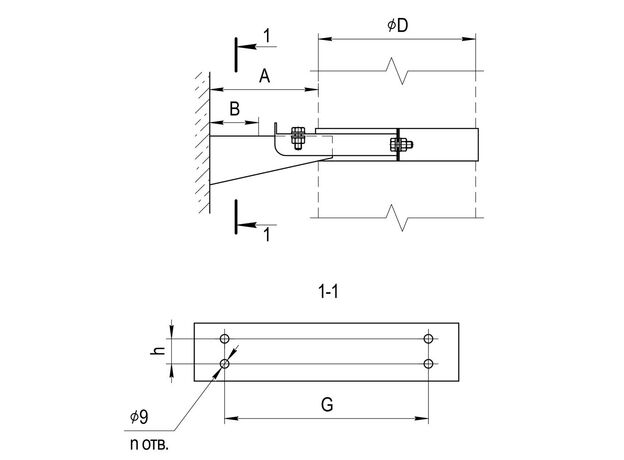
Кронштейн раздвижной d130/200 AISI 430-1
110017c160aa

Доставка
Варианты оплаты
Уже 15 лет для Вас
Очаг — Магазин каминов №1
Лучшие цены
Бесплатный профессиональный замер
Прозрачные сметы
Ясные сроки
Комфорт оплаты
Понимаем любой бюджет
Удобное вам время
Приоритет — безопасность
Примеры работ #Степан_Знает
Описание
Характеристики
Общие
Производитель:
Страна-производитель:
Россия
Внутренний диаметр:
130 мм
Гарантия:
1 год
Марка стали:
Материал дымохода:
Нержавеющая сталь
Назначение дымохода:
- Дымоходы для каминов
- Дымоходы для печей
Тип элемента дымохода:
Толщина стенки:
1
Особенности
Возможные цвета:
Выбор RAL
Цвет дымохода:
Нержавеющая сталь